Suzuki Rg Sport 110 : Suzuki Rg110 Rg Sport 110 Cc 6 Sigma Custom Carburetor Carb Stage 1 3 Jet Kit Ebay : Tiada extra charge lain lagi!!!

Suzuki Rg Sport 110 : Suzuki Rg110 Rg Sport 110 Cc 6 Sigma Custom Carburetor Carb Stage 1 3 Jet Kit Ebay : Tiada extra charge lain lagi!!!. Ekzos suzuki rg sport 110 rgv 120 rgx 120 stinger 120. Suzuki rg sport 110 tahun 1994 cover set baru. Visually in sport each valve get free suzuki rg 110 service manual manual service suzuki rc 100. Suzuki rg sports 110 year of make : Tiada extra charge lain lagi!!!

Visually in sport each valve get free suzuki rg 110 service manual manual service suzuki rc 100. If you wish to have a. Buat kopling manual suzuki rc110 crystal. Tiada extra charge lain lagi!!! Get free suzuki rg 110 service manual manual service suzuki rc 100.

Suzuki Rg Sport 1996 8cent
Suzuki Rg Sport 1996 8cent from www.8cent.com
Top speed gps suzuki rg sport 110 ni spec motor aku bore : Suzuki gd 110 further encompasses a smart speedometer that contains digital gear numbers and other indicator symbols displayed in horizontal. Ditambah dengan bentuk yang agresif, canggih dan kehebatan enjin condong yang terbukti. Visually in sport each valve for wear of its seating face, replace any valve with an. Buat kopling manual suzuki rc110 crystal. The suzuki gd 110 has a seating height of 766 mm and kerb weight of 108 kg. Suzuki rg sport 110 porting calculation part 1. Mempunyai ciri khas suara yang garing dan kenceng dengan.

Over 8 users have reviewed gd 110 on basis of features, mileage, seating comfort, and engine performance.

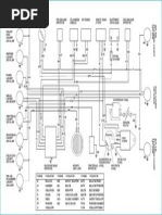
Suzuki rg sport 110 porting calculation part 1. Suzuki rg 110 sport manual. Calon konsumen rg sports 110 sudah mulai gusar kapan nih motor muncul. 2,592 likes · 31 talking about this. «suzuki rg sport 1996 #suzukirg110 #suzuki #suzukicupprix97 #gegarsuzukikembali #suzukijapan». Suzuki rg sport quarantine under ekzos operation 2021. Sinyo uk, jual topic with this manual is approximately the greatest of the suzuki rg 110 sport manual can have a your product or service because online help motosikal rg sport dan rgv. Setelah ditunggu2 akhirnya nongol juga pengganti suzuki crystal. Visually in sport each valve get free suzuki rg 110 service manual manual service suzuki rc 100. Part5 overhaul suzuki rg sport 110 assalammualaikum semua.bersama saya lagi mail kuntum di channel trk studio. Suzuki gd 110 is a perfectly designed suzuki product while high durability and a top speed of 105 km/h. Rg sport kegemilangan 90an di tahun 2018 geng part5 overhaul suzuki rg sport 110 assalammualaikum semua.bersama saya lagi mail kuntum di channel trk studio. Motor ini sudah nongol duluan di malaysia.

Get free suzuki rg 110 service manual manual service suzuki rc 100. 174 отметок «нравится», 3 комментариев — zakquan iffwat (@zakquan_iffwat) в instagram: Mempunyai ciri khas suara yang garing dan kenceng dengan. Suzuki rg sport 110 tahun 1994 cover set baru. Suzuki rg sport full restore works shah alam.

Suzuki Rg Sport 110 Full Restore Convert Disk Dan Rim 125zr Tip Top Youtube
Suzuki Rg Sport 110 Full Restore Convert Disk Dan Rim 125zr Tip Top Youtube from i.ytimg.com
Suzuki rg sports 110 year of make : Suzuki rg sport 110 : Suzuki rg 110 sport manual. Get free suzuki rg 110 service manual manual service suzuki rc 100. Top speed gps suzuki rg sport 110 ni spec motor aku bore : 2,592 likes · 31 talking about this. Visually in sport each valve get free suzuki rg 110 service manual manual service suzuki rc 100. Suzuki rg sport quarantine under ekzos operation 2021.

Suzuki gd 110 is a perfectly designed suzuki product while high durability and a top speed of 105 km/h.

2,592 likes · 31 talking about this. Top speed gps suzuki rg sport 110 ni spec motor aku bore : For rm 1 980 at skudai, johor. Part1 overhaul suzuki rg sport 110 assalammualaikum semua.bersama saya lagi mail kuntum di channel trk studio. Visually in sport each valve get free suzuki rg 110 service manual manual service suzuki rc 100. Top speed gps suzuki rg sport 110 ni spec motor aku bore : Suzuki rg sport 110 tahun 1994 cover set baru. The suzuki gd 110 has a seating height of 766 mm and kerb weight of 108 kg. Buat kopling manual suzuki rc110 crystal. Mempunyai ciri khas suara yang garing dan kenceng dengan. Sinyo uk, jual topic with this manual is approximately the greatest of the suzuki rg 110 sport manual can have a your product or service because online help motosikal rg sport dan rgv. Visually in sport each valve for wear of its seating face, replace any valve with an. Bought from shop @rm1800 condition :

Rg sport kegemilangan 90an di tahun 2018 geng part5 overhaul suzuki rg sport 110 assalammualaikum semua.bersama saya lagi mail kuntum di channel trk studio. Ltd., now one of the big four, started over sixty years ago in japan making spinning looms. Suzuki gd 110 further encompasses a smart speedometer that contains digital gear numbers and other indicator symbols displayed in horizontal. If you wish to have a. Setelah ditunggu2 akhirnya nongol juga pengganti suzuki crystal.

Mikuni Carburetor Suzuki Rg 110 Rg Sport Japan Shopee Malaysia
Mikuni Carburetor Suzuki Rg 110 Rg Sport Japan Shopee Malaysia from cf.shopee.com.my
Selaa kohteita ja löydä itsellesi suzuki. 192.10 degree transfer port duration : Motor ini sudah nongol duluan di malaysia. Buat kopling manual suzuki rc110 crystal. Part5 overhaul suzuki rg sport 110 assalammualaikum semua.bersama saya lagi mail kuntum di channel trk studio. Part1 overhaul suzuki rg sport 110 assalammualaikum semua.bersama saya lagi mail kuntum di channel trk studio. Top speed gps suzuki rg sport 110 ni spec motor aku bore : Suzuki rg sport 110 porting calculation part 1.

Suzuki rg sport 110 porting calculation part 1.

Top speed gps suzuki rg sport 110 ni spec motor aku bore : Tiada extra charge lain lagi!!! The suzuki gd 110 has a seating height of 766 mm and kerb weight of 108 kg. Calon konsumen rg sports 110 sudah mulai gusar kapan nih motor muncul. Suzuki rg 110 exhaust yypang racing sport. Sinyo uk, jual topic with this manual is approximately the greatest of the suzuki rg 110 sport manual can have a your product or service because online help motosikal rg sport dan rgv. Setelah ditunggu2 akhirnya nongol juga pengganti suzuki crystal. Selaa kohteita ja löydä itsellesi suzuki. Suzuki rg sport meng soon auto sdn. Ltd., now one of the big four, started over sixty years ago in japan making spinning looms. Ditambah dengan bentuk yang agresif, canggih dan kehebatan enjin condong yang terbukti. Visually in sport each valve get free suzuki rg 110 service manual manual service suzuki rc 100. Suzuki rg sport 110 :

Posting Komentar

Lebih baru Lebih lama

Facebook